2 Mineral and Ore Properties
2.1 Deposit Type
The Hujiamiaozi Iron Ore Deposit is classified as a sedimentary-metamorphic “Anshan-type” lean iron ore deposit.
2.2 Genetic Type
The Hujiamiaozi deposit is hosted within the Archean Anshan Group strata of my country and constitutes a vital component of the massive sedimentary-metamorphic “Anshan-type” iron ore province. With proven geological reserves reaching 1 billion tons, it is classified as a super-large-scale iron ore deposit. 2.3 Ore Characteristics
The ore is classified as a simple-type ore characterized by low iron content, high silica content, and low sulfur and phosphorus levels. The average content of the various components across the entire deposit is as follows: TFe 28.68%, SiO₂ 53.33%, S 0.075%, P 0.033%, and Mn 0.087%. No other minerals of industrial value are present.
Based on natural classification, the ore from the Hujiamiaozi Iron Mine is categorized into hematite quartzite, magnetite quartzite, and pseudomorphic hematite quartzite. The shallow sections of the ore body consist predominantly of oxidized ore, while the deeper sections consist mainly of unoxidized ore; an intermediate zone comprising pseudomorphic ore accounts for 5% of the total volume. The country rocks flanking the ore body consist primarily of phyllite and sericite-quartz schist. As mining operations extend progressively deeper, the characteristics of the ore undergo corresponding changes. Variations in ore type, FeO content, mineral grain size, and other properties directly impact the production metrics of the beneficiation plant.
The ore texture and occurrence conditions in the Hujiamiao area are relatively simple, characterized predominantly by granoblastic, tabular, cataclastic, poikilitic, and metasomatic relict textures. Mining difficulty is low, making the deposit suitable for large-scale open-pit mining.
The ore structure is predominantly banded, accompanied by massive, patchy, cataclastic, crumpled, and vein-like structures. The ore texture is also relatively simple; mineral crystal forms are well-developed, and the proportion of ore exhibiting textures that hinder beneficiation—such as poikilitic or inclusion textures—is minimal.
The mineralogical composition of the ore in this mining district is relatively simple. The primary iron-bearing minerals include hematite, pseudomorphic hematite, goethite, and magnetite, along with minor amounts of limonite, siderite, ferroan dolomite, and others. The primary gangue minerals consist of quartz, tremolite, actinolite, chlorite, and minor amounts of clay minerals. In the Hujiamiao area, the grain size of iron minerals within the ore ranges from 70.13 to 79.22 μm, while that of gangue minerals ranges from 111.25 to 139.95 μm. Iron minerals with a grain size exceeding 74 μm account for 60% of the total; conversely, the content of iron minerals finer than 10 μm is low, consistently remaining below 12%. Compared to ores from other mines in the Anshan region, the iron minerals and gangue in the Hujiamiao area ore exhibit a coarser grain size; this characteristic is likely the result of extensive late-stage recrystallization. These features lead to a relatively low content of lean middlings (intergrown particles) generated during the ore grinding process. The ore characteristics of the Hujiamiaozi iron deposit are similar to those of the Qidashan iron deposit; however, the grain size of its iron minerals is coarser than that of Qidashan, and its grindability is superior (i.e., it is easier to grind). Furthermore, the beneficiability of the ore is essentially identical to that of Qidashan.
In 2005, the Research Institute of the Angang Group Mining Company conducted representative sampling of the ore mined between 2004 and 2005 from the Phase I mining area of the Hujiamiaozi iron deposit. Samples were collected from 12 distinct locations; specifically, the collection comprised 9 samples of hematite quartzite, 2 samples of magnetite quartzite, and 1 sample of tremolite-magnetite quartzite. These samples subsequently underwent multi-element chemical analysis and mineral phase analysis.
For specific details, please refer to Tables 1 and 2.
Table 1. Multi-element analysis results of various types of iron ore samples from the Hujiamiao area. (%)
| Ore type | TFe | Fe0 | SiO₂ | CaO | MgO | Al ₂ O ₃ | MnO | Burning | S | P | |
| Hematite Quartzite | 1# | 26.31 | 3.32 | 59.18 | 0.53 | 0.30 | 0.56 | 0.23 | 0.79 | 0.052 | 0.030 |
| 2* | 26.30 | 3.13 | 59.90 | 0.42 | 0.20 | 0.32 | 0.27 | 0.62 | 0.041 | 0.031 | |
| 3″ | 24.40 | 2.87 | 64.45 | – | 0.26 | 0.15 | 0.017 | 0.27 | 0.016 | 0.052 | |
| 4″ | 26.89 | 3.79 | 60.12 | – | 0.30 | 0.21 | 0.19 | 0.55 | 0.017 | 0.038 | |
| 5 | 27.22 | 3.32 | 59.35 | – | 0.42 | 0.18 | 0.28 | 0.58 | 0.013 | 0.042 | |
| 6′ | 27.89 | 6.91 | 59.35 | one | 0.28 | 0.10 | 0.035 | one | 0.012 | 0.047 | |
| 7″ | 23.34 | 2.09 | 64.21 | – | 0.20 | 0.28 | 0.10 | 0.012 | 0.011 | 0.030 | |
| 8 | 23.10 | 4.13 | 65.95 | 0.17 | 0.58 | 0.31 | 0.23 | 0.02 | 0.010 | 0.033 | |
| 9# | 23.34 | 1.98 | 64.50 | – | – | 0.36 | 0.145 | 0.13 | 0.011 | 0.032 | |
| average | 25.42 | 3.50 | 61.89 | 0.37 | 0.32 | 0.27 | 0.17 | 0.37 | 0.02 | 0.04 | |
| Pseudo-hematite quartzite | 1# | 36.05 | 9.34 | 46.15 | 0.31 | 0.52 | 0.56 | 0.22 | – | 0.040 | 0.050 |
| 2# | 30.67 | 7.18 | 55.15 | 0.11 | 0.26 | 0.15 | 0.075 | – | 0.021 | 0.053 | |
| average | 33.36 | 8.26 | 50.65 | 0.21 | 0.39 | 0.36 | 0.15 | 0.17 | 0.03 | 0.05 | |
| tremolite quartzite | 1″ | 34.23 | 11.58 | 45.70 | 0.90 | 1.99 | 1.20 | 0.12 | 0.49 | 0.13 | 0.053 |
The analysis results in Table 1 show that the grade of hematite quartzite in the iron ore of the first phase of the Hujiamiao area is generally low, around 23%. 10%~ Fluctuating between 27.89%, with an average of 25.42%, FeO The content varies considerably, ranging from 1.98% to 6.91% for FeO. Content in 2 . The majority of mineral samples ranged from 87% to 4.13%, with an overall average of 3.50%. SiO₂ content was high, averaging over 60%. The pseudomorphic hematite quartzite was of relatively high grade. Fluctuating between 30.67% and 36.05%, with an average of 33.36% , SiO₂ The content is around 50%, FeO The content is around 8% ; tremolite magnetite quartzite The SiO₂ content is relatively high, around 34%, while the FeO content is around 45%. The content is around 11.58%. Gangue minerals are visible in various types of iron ore. It is relatively simple, with a high SiO₂ content of 45% to 60%, and low content of other harmful components such as S and P , which will not affect the separation process.
Table 2. Phase analysis results of various types of iron ore samples from the Hujiamiao area (%)
| Ore type | project | TFe | Fe ₃ O ₄ | FeCO₃ | FeSiO₃ | Illusory, semi-illusory hematite | Hematite and limonite | |
| Hematite Quartzite | 1* | content | 26.31 | 3.60 | 1.00 | 0.40 | 1.10 | 21.21 |
| Distribution rate | 100.00 | 13.68 | 3.80 | 1.52 | 0.38 | 80.62 | ||
| 2* | content | 26.30 | 4.10 | 0.90 | 0.35 | 1.20 | 19.75 | |
| Distribution rate | 100.00 | 15.59 | 3.42 | 1.33 | 4.56 | 75.10 | ||
| 3* | content | 24.40 | 6.30 | 0.80 | 0.35 | 1.30 | 15.65 | |
| Distribution rate | 100.00 | 25.82 | 3.28 | 1.43 | 5.33 | 64.14 | ||
| 4* | content | 26.89 | 5.05 | 0.75 | 0.55 | 1.70 | 18.84 | |
| Distribution rate | 100.00 | 18.78 | 2.79 | 2.05 | 6.32 | 70.06 | ||
The analytical results presented in Table 2 indicate that, among the collected ore samples, the content of the deleterious components FeCO₃ and FeSiO₃ is relatively low in both the hematite quartzite and the pseudomorphic hematite quartzite; the combined average content of these two substances is less than 1.6%. However, the FeSiO₃ content is notably higher in the tremolite-magnetite quartzite, standing at 3.10%; during the beneficiation process, a high proportion of this specific ore type can exert a negative impact on separation efficiency. As the degree of ore oxidation intensifies, the content of magnetic iron within the ore decreases, while the content of pseudomorphic hematite, semi-pseudomorphic hematite, and limonite increases. Overall, the theoretical iron recovery rate for all ore types exceeds 90%.
3 Mining Operations
3.1 Overview of Mining Methods
Based on the actual conditions of the ore deposit’s occurrence and the topography and geomorphology of the mining area, the Hujiamiao Iron Mine primarily employs open-pit mining. The internal development and transportation system utilizes a combined truck-conveyor belt mode, while external transportation is facilitated through a crushing-conveyor belt system coupled with a truck-to-rail transshipment method.
The ore body and surrounding rock are divided into horizontal layers of specific thickness, which are then mined using independent excavation and transportation equipment. During the mining process, a specific lead-lag relationship is maintained between adjacent layers, thereby forming a stepped profile wherein each step constitutes a “bench.” The standard bench height is 12 m (which is consolidated to 24 m when mining against the pit wall). The bench face angles are set at 55° for the hanging wall and 65° for the footwall.
3.2 Major Mining Equipment
The primary mining equipment includes: ø310 mm rotary blast-hole drills, WD400 electric shovels, 3307 haul trucks (45-ton class), ø1200 mm gyratory crushers, and B=1200 mm conveyor belt systems. 4 Ore Dressing
4.1 Overview of Ore Dressing Production and Dressing Tests
4.1.1 Overview of Ore Dressing Production
Anqian Mining Co., Ltd. serves as one of the key raw material bases for Angang Group. Established in March 2005, the facility employs an ore dressing process featuring three-stage closed-circuit crushing, staged grinding, coarse and fine classification, and a combined beneficiation flowsheet comprising gravity separation, magnetic separation, and anionic reverse flotation. Accordingly, the site is organized into three distinct operational zones: Crushing, Grinding-Beneficiation-Filtration, and Tailings Handling.
Ore extracted from the mining pit is transported by truck to the crushing station, where it undergoes primary crushing using a Ø1200mm gyratory crusher. The primarily crushed ore is then conveyed to the crushing plant for secondary and tertiary crushing, yielding a fine ore product with a particle size range of 0–10 mm, which is subsequently sent to the Grinding-Beneficiation-Filtration zone for processing. The beneficiation process utilizes staged grinding, coarse and fine classification, and a combined gravity-magnetic-anionic reverse flotation flowsheet. The resulting concentrate is thickened and then transferred to the filtration plant for dewatering; the filtered concentrate is subsequently transported by truck to Angang Group. Tailings are thickened using thickeners; the underflow is pumped via the tailings pump station to the Fengshuigou Tailings Storage Facility, enabling high-density tailings transport. The overflow from each thickener passes through a water distribution tank and is directed to a clarification tank for purification, allowing the clarified water to be recycled for reuse. The complete ore dressing flowsheet is illustrated in Figure 1.
4.1.2 Ore Dressing Amenability Tests
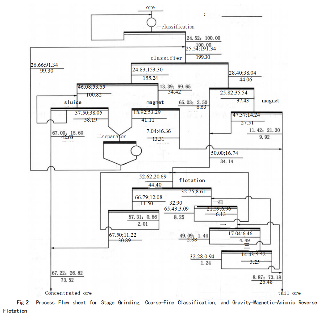
In 2005, the Research Institute of Angang Group Mining Company conducted representative sampling of the production ore from the Phase I mining pit of the Hujiamiaozi Iron Mine. This sampling served as the basis for detailed studies on the ore’s process mineralogy and for advanced experimental research into the ore dressing process. Given that tremolite-magnetite quartzite and pseudomorphic hematite quartzite constituted a negligible proportion of the ore extracted during recent mining operations, the experiments focused on a blended sample. This blend was created by combining hematite quartzite samples collected from nine distinct locations, proportioned to match the average head grade specified in the production plan; comprehensive tests regarding beneficiation conditions and continuous-flow beneficiation were subsequently conducted on this blended sample. Continuous beneficiation tests were conducted using a process flow incorporating staged grinding, coarse-fine classification, and a gravity separation–high-intensity magnetic separation–anionic reverse flotation sequence. Under conditions where the raw ore grade was 24.52%, high beneficiation indices were achieved, yielding a concentrate grade of 67.22%, a tailings grade of 8.87%, and a metal recovery rate of 73.52%.
The mass balance flow sheet for the continuous beneficiation tests is presented in Figure 2.

4.1.3 Process Flow Technical Modification: Procedure and Characteristics
The beneficiation process employs a combined flowsheet featuring three-stage, closed-circuit crushing; staged grinding; coarse and fine classification; and a gravity-magnetic-anionic reverse flotation sequence. This arrangement establishes three distinct operational zones: crushing, grinding-separation-filtration, and tailings handling. This process is characterized by the following features:
The staged grinding approach effectively accommodates the relatively coarse crystalline grain size characteristic of the iron ore found in the Hujiamiao region. By allowing for beneficiation at a coarser grinding fineness, this method helps conserve grinding energy, minimizes the over-grinding of iron minerals, and reduces mineral losses. Through coarse and fine classification, the feed material is separated into coarse and fine fractions. The coarse fraction undergoes gravity separation—a method with lower operational costs—to produce a marketable coarse concentrate while rejecting coarse tailings; this reduces the circulating load and alleviates the processing burden on the fine-grained section of the flowsheet, thereby contributing to lower overall beneficiation costs. Prior to flotation upgrading, the fine-grained material is subjected to desliming and tailings rejection using a vertical-ring pulsating high-gradient strong magnetic separator, thereby creating optimal operating conditions for the subsequent flotation stage. The adoption of an anionic reverse flotation process, coupled with the use of high-efficiency beneficiation reagents, effectively enhances the concentrate quality within the fine-grained section of the flowsheet. Finally, the integrated gravity-magnetic-flotation flowsheet facilitates a rational beneficiation process tailored to specific size fractions; by allowing the various separation methods to complement one another and leverage their respective strengths, the process ensures high overall beneficiation efficiency. Practical application has demonstrated that this process flowsheet is both technologically advanced and economically sound.

The process employs ø1500mm spiral chutes as the gravity separation equipment; these chutes are characterized by their high processing capacity and superior separation efficiency. For the primary, secondary, and rough/fine classification stages, a bank of 6660mm hydrocyclones was selected, renowned for their high classification efficiency and excellent separation results. Furthermore, high-efficiency beneficiation equipment—specifically, vertical-ring pulsating high-gradient medium- and strong-intensity magnetic separators (representing a domestically advanced technological standard)—was utilized as a critical safeguard prior to the final tailings disposal of both coarse and fine-grained materials. This measure ensures a high metal recovery rate and minimizes metal loss. The flotation circuit features a combined equipment configuration utilizing both BF-type and JJF-type large-scale flotation machines, thereby fully leveraging the distinct advantages inherent to each type. The BF-type machine functions effectively as a separation cell while simultaneously possessing the capability to self-aspirate slurry; conversely, the JJF-type machine excels as a separation cell, offering superior separation performance and preventing slurry from settling at the bottom of the tank. This combined unit is capable of both self-aspirating slurry and self-aspirating air, allowing for a horizontal layout of the flotation machines without the need for an external air supply or foam pumps for process recirculation. This specific configuration method was successfully implemented during the comprehensive modernization of the Qidashan Beneficiation Plant. For filtration, a 72 m² disc vacuum filter was adopted; this ensures that the moisture content of the filter cake meets the required standards while maintaining a high utilization coefficient. Finally, the novel beneficiation reagent RA715 was selected as the anionic collector to guarantee that the grade of the flotation concentrate meets the specified quality standards. The application of these advanced beneficiation equipment and chemical reagents provides a robust guarantee for the efficient and high-performance operation of the entire process.
The Anqian Mining Company Beneficiation Plant officially commenced single-system operation in March 2006. Through the collaborative efforts of Anqian Mining Company and the Research Institute of Angang Mining Company, the plant achieved its designed production targets within just one month—setting a new record for the production commissioning and ramp-up of hematite beneficiation facilities. While the single system was in operation, construction of a second system proceeded simultaneously. This new system was completed and commissioned in September 2006, at which point the Anqian Mining Company Beneficiation Plant achieved full-scale plant-wide operation, with its production metrics rapidly reaching the designed performance targets. The original design for the gravity separation section consisted of a two-stage spiral chute circuit (one roughing and one cleaning stage), followed by weak magnetic scavenging and medium magnetic scavenging—with the middlings undergoing regrinding. However, following commissioning, the supplied ore consisted primarily of material from the shallow zones of the ore body; consequently, the ore was relatively lean and of low grade. This resulted in a significant volume of tailings being discarded during the coarse-grained processing stages. To alleviate the burden of tailings disposal in the magnetic separation of the coarse fraction—and to ensure the metal recovery rate for this fraction—a technical modification was implemented in 2007 based on prior experimental research. Specifically, a spiral scavenging operation was added immediately following the gravity roughing stage. Subsequent production practice demonstrated that the addition of this spiral scavenging step to the gravity separation circuit yielded highly effective results.
4.2 Crushing and Screening
4.2.1 Process Flow
The crushing and screening process employs a three-stage, one-closed-circuit crushing flow. The plant’s crushing and screening system comprises three main operations: intermediate crushing, fine crushing, and preliminary check screening. Run-of-mine (ROM) ore, ranging in size from 0 to 1000 mm, is transported by truck to the mine-site crushing station and dumped into the primary crusher for coarse crushing. The product from the primary crusher is conveyed via a belt conveyor to a φ24m cylindrical ore bin. From there, it is fed via two feeder belts into the intermediate crusher for intermediate crushing. The intermediate crusher product is then fed into a circular vibrating screen for screening; the oversize material (screen rejects) is directed to the fine crushing ore bin. From this bin, it is fed via a fine-crushing feeder belt into the fine crusher for fine crushing. The product from the fine crusher is combined with the intermediate crusher product and fed back into the screening circuit. The oversize material from this screening stage is returned to the fine crushing ore bin, while the undersize material (0–10 mm)—which constitutes over 90% of the stream—is conveyed via belt to the U-shaped ore bin located within the grinding and beneficiation plant. The process flow diagram for the crushing and screening circuit is shown in Figure 3.

4.2.2 Coarse, medium and fine crushing equipment and technical specifications (see Table 3)
Table 3. Coarse, Medium and Fine Crushing Equipment and Technical Specifications
| Assignment Name | rough crushing operation | Medium-sized breaking operations | Fine crushing operation |
| Equipment Name | Suspended gyratory crusher | cone crusher | cone crusher |
| Model and Specifications | PXZ-1216 | H8800 | H8800 |
| Number of equipment | 2 | 2 | 3 |
| Feed port size/mm | 1200 | 400 | 100 |
| Maximum feed particle size / mm | 1000 | 350 | 80 |
| Processing capacity per hour (V/h) | 1250 | 1400 | 830 |
| Maximum discharge particle size/mm | 300 | 80 | 30 |
| Electric motor power / kW | 315 | 630 | 630 |
| Work completion rate / % | – | 40~50 | 80-90 |
4.2.3 Process Flow Technical Modification: Process and Characteristics
The process structure is simple, and the selected equipment capacity is sufficient to meet production requirements. Both the intermediate and fine crushing stages utilize H8800 hydraulic cone crushers. The two intermediate crushers achieve a designed hourly throughput of 1,400 t/h, while the three fine crushers achieve a designed hourly throughput of 830 t/h; furthermore, the discharge product contains over 90% material finer than 10 mm.
4.3 Grinding and Classification
4.3.1 Process Flow
The system employs a staged grinding process flow. The 0–10 mm product from the crushing plant is fed into a primary closed-circuit grinding system, which consists of ball mills and hydrocyclones. Secondary grinding primarily processes the middlings generated during gravity separation; these middlings first undergo a check classification step using hydrocyclones. The underflow (sands) from these hydrocyclones is fed into secondary mills for open-circuit grinding. The overflow from the middlings check-classification hydrocyclones is mixed with the discharge from the secondary mills; this mixture is then combined with the primary grinding product and fed into a set of coarse/fine classification hydrocyclones, which subsequently separate the material into two streams: a coarse fraction and a fine fraction. The grinding and classification process flow is illustrated in Figure 4.

4.3.2 Main equipment and technical specifications
The technical parameters of the grinding equipment are shown in Table 4, the technical parameters of the classifying equipment are shown in Table 5, and the technical requirements for grinding and classifying operations are shown in Table 6. Table 4 Technical parameters of grinding equipment
| Assignment Name | One grinding | Secondary grinding |
| Equipment Name | Wet overflow ball mill | Wet overflow ball mill |
| Specifications and Models | MQY50 30mm×6400mm | MQY50 30mm×6400mm |
| Number of equipment | 4 | 2 |
| Effective volume / m³ | 121 | 121 |
| Processing capacity / [V(h · tower)] | 260 | – |
| Operating speed (r/ min ) | 14.4 | 14.4 |
| Maximum ball loading capacity/t | 224 | 224 |
| Steel ball diameter/mm | 100 | 35×45 |
| Main motor power/kW | 3000 | 3000 |
| Main motor model | TMW3000-30/2900 | TMW3000-30/2900 |
| Main motor speed (r/ min ) | 200 | 200 |
Table 5 Technical parameters of grading equipment
| Assignment Name | Primary grading | Secondary classification | Coarse and fine classification |
| Equipment Name | Involute cyclone assembly | Involute cyclone assembly | Involute cyclone assembly |
| Model and specifications/mm | FX660×5-GT-HW | FX660×5-GT-HW | FX660×5-GT-HW |
| Number of equipment | 4 | 2 | 4 |
| Sand return ratio /% | 150~250 | – | – |
| Overflow pipe diameter/mm | 200 | 200 | 240 |
| Sand settling outlet diameter/mm | 100~120 | 100~120 | 130-150 |
| Equivalent diameter of feed opening / mm | 167 | 167 | 167 |
| Overflow pipe depth/mm | 400 | 400 | 400 |
| Working pressure/MPa | 0.06~0.1 | 0.08~0.12 | 0.1~0.15 |
Table 6 Technical Requirements for Grinding and Classification Operations (%)
| Assignment Name | Primary grinding and classification | Secondary grinding and classification | Coarse and fine classification |
| Grinding concentration | 75-80 | 65~70 | – |
| Overflow concentration | 45~55 | – | 10~20 |
| Overflow particle size (content of -0.074 mm ) | 55~60 | >75 | >90 |
| Steel ball filling rate | 35~40 | 35~40 |
4.3.3 Process and Characteristics of the Technical Modification to the Grinding and Classification System
Grinding and classification equipment constitutes the critical machinery within a beneficiation plant; it accounts for a significant proportion of both the plant’s capital investment and operational costs, while also directly impacting the plant’s mineral processing capacity and the achievement of key beneficiation performance indicators. Adhering to design principles emphasizing high efficiency and low cost, a techno-economic comparative analysis was conducted between two alternative schemes: “large ball mill—cyclone classification” and “small ball mill—mechanical classifier.” This analysis drew upon the experimental and operational experiences of the Qidashan Beneficiation Plant. Specifically, it was observed that—compared to spiral classifiers—hydrocyclones offer higher classification efficiency and simultaneously boost the ball mill’s hourly throughput and operational availability. Consequently, replacing spiral classifiers with hydrocyclones presents distinct advantages: stable operational performance, strong adaptability, ease of adjustment, and a reduced workload for maintenance personnel. Ultimately, the “large ball mill—cyclone classification” scheme was selected for implementation, and subsequent operational practice has demonstrated excellent results in terms of grinding and classification efficiency.
4.4 Mineral Processing Flowsheet
4.4.1 Process Flow
In the beneficiation flowsheet, the grinding products are initially classified into two distinct streams—coarse and fine—using a set of coarse/fine classification hydrocyclones. The underflow (sands) from these hydrocyclones is fed into a three-stage separation circuit comprising roughing, cleaning, and scavenging spiral chutes, as well as permanent magnetic separators (for scavenging weakly magnetic minerals) and vertical-ring pulsating high-gradient medium-magnetic separators (for scavenging medium-magnetic minerals). This circuit serves to recover coarse-grained concentrates while rejecting coarse-grained tailings. The tailings from the cleaning spirals, the concentrates from the scavenging spirals, the weakly magnetic concentrates, and the medium-magnetic concentrates are combined to form a middlings stream. This middlings stream is then fed into a secondary classification hydrocyclone circuit. The underflow from these secondary hydrocyclones is directed to a secondary ball mill for further grinding. This secondary grinding stage operates as an open-circuit process; the discharge product from the secondary ball mill is mixed with the overflow from the secondary classification hydrocyclones and subsequently returned to the initial coarse/fine classification stage. The overflow from the classification cyclone is fed into the permanent magnet separation circuit, while the permanent magnet tailings are directed to a thickener for concentration. The underflow from the thickener passes through a cylindrical desliming screen before being fed into a vertical-ring pulsating high-gradient magnetic separator. The permanent magnet concentrate and the high-gradient magnetic concentrate are combined to form a mixed magnetic concentrate, which is then fed into a thickener for further concentration. The underflow from this thickener is directed to the flotation circuit, where—through one stage of roughing, one stage of cleaning, and three stages of scavenging—a qualified concentrate is recovered and tailings are discarded; the concentrate from the first scavenging stage is recycled back to the rough flotation stage. The gravity concentrate and the flotation concentrate are combined to constitute the final concentrate, while the gravity tailings, flotation tailings, and high-gradient magnetic tailings together form the final tailings. The mineral processing flowsheet is illustrated in Figure 5.

4.4.2 Main equipment and technical specifications
The main equipment and technical indicators of the mineral processing flow are shown in Tables 7 to 13.
Table 7 Reselection spiral chute technical parameters
| name | inner diameter /mm | outer diameter /mm | groove width/mm | pitch /mm | Number of laps/lock up | Head count | Cross-sectional shape | Processing capacity /[t(h · tower)] | feed particle size/mm | Number of equipment |
| coarse snail | 280 | 1500 | 610 | 800 | 4 | 4 | cubic parabola | 15 | 0.03~0.2 | 72 |
| Fine snail | 280 | 1500 | 610 | 760 | 4 | 4 | cubic parabola | 15 | 0.03~0.2 | 36 |
| Snail sweeping | 280 | 1500 | 610 | 800,760 | 4 | 4 | cubic parabola | 15 | 0.03~0.2 | 24,12 |
Table 8 Technical Parameters of Permanent Magnet Equipment
| Assignment Name | Permanent magnet operation before scanning | Strong magnet pre-permanent magnet operation |
| Equipment Name | Wet medium magnetic field permanent magnet drum separator | Wet weak magnetic field permanent magnet drum separator |
| Model and Specifications | YXB1230L | YXB1230L |
| Number of equipment | 8 | twenty four |
| Magnetic flux density / mT | 240 | 180 |
| Number of magnetic poles | 6 | 6. |
| bottom box type | Semi countercurrent | Semi countercurrent |
| Working gap / mm | 45~60 | 45~60 |
| Magnetic declination / (°) | 10-15 | 10~20 |
| Magnetic envelope angle of magnetic system / (°) | 137 | 137 |
| Cylinder rotation speed (r/ min ) | 17.5 | 17.5 |
| Processing capacity (t/h) | 100-150 | 100-150 |
| Electric motor power/kW | 7.5 | 7.5 |
Table 9 Technical Parameters of Concentration Equipment
| Assignment Name | Pre-concentration under strong magnetic field | Pre-flotation concentration |
| Equipment Name | Peripheral rack and pinion drive concentrator | Peripheral rack and pinion drive concentrator |
| Model and Specifications | NT-53 | NT-53 |
| Number of equipment | 2 | 2 |
| Settlement area/m² | 2202 | 2202 |
| Maximum depth / m | 5.07 | 5.07 |
| Transmission method | Peripheral rack and pinion drive | Peripheral rack and pinion drive |
| Rake frame rotation speed (r/ min ) | 1/23.18 | 1/23.18 |
| Electric motor power/kW | 18.5 | 18.5 |
Table 10 SLon vertical ring pulsating magnetic separator operating parameters
| Assignment Name | Scanning magnet | strong magnet |
| Equipment Name | Vertical ring pulsating high gradient medium magnetomechanic | Vertical ring pulsating high gradient strong magnetometer |
| Model and Specifications | SLon-2000 | SLon-2000 |
| Number of equipment | 8 | 8 |
| Turntable diameter/mm | 2000 | 2000 |
| Rotational speed (r/ min ) | 2~4 | 2~4 |
| Pulsating stroke/mm | 6~26 | 6~26 |
| Pulsations per minute – ¹ | 0~300 | 0~300 |
| Background magnetic flux density /T | 0~0.4 | 0~1.0 |
| Processing capacity (t/h) | 50-80 | 50-80 |
| Rated excitation current/A | 1400 | 1400 |
| Rated excitation voltage / V | 30 | 53 |
| Rotary motor power/kW | 5.5 | 5.5 |
| Pulsating motor power/kW | 7.5 | 7.5 |
| Upper limit of feed particle size / mm | 1.3 | 1.3 |
| feed concentration /% | 10~40 | 10~40 |
| heaviest component/t | 10 | 15 |
Table 11 Technical Parameters of Flotation Equipment
| Specifications and Models | volume /m³ | Internal dimensions (length × width × height)/m×m×m | Production capacity /(m³/min) | Impeller diameter/mm | Impeller speed (r/min) | Inhalation volume /(m³/min) | motor power/kW | Number of equipment | ||
| Rough selection | Selected | Scan | ||||||||
| BF-20 | 20 | 2.85×3.8×2 | 10~20 | 850 | 195 | 0.5~1.0 | 45 | 12 | 4 | twenty four |
| JJF-20 | 20 | 2.85×3.8×2 | 5~20 | 700 | 180 | 0.1~1.0 | 45 | 16 | 8 | twenty four |
4.4.3 Process Flow: Technical Modification Process and Characteristics
The beneficiation plant at the Anqian Mining Branch Company employs a designed process flow featuring “stage grinding, coarse-fine classification, and gravity-magnetic-anionic reverse flotation.” This design effectively accommodates the specific mineral crystallization grain size characteristics of the iron ore found in the Hujiamiao region. By allowing for ore entry into the beneficiation circuit at a relatively coarse grind size, the process helps conserve grinding energy, minimizes the over-grinding of iron-bearing minerals, and reduces mineral losses. The feed material undergoes coarse-fine classification, separating it into coarse and fine fractions. The coarse fraction is subjected to gravity separation—a method characterized by lower processing costs—to produce a marketable coarse concentrate while discarding coarse tailings; this approach reduces the circulating load within the circuit, thereby alleviating the processing burden on the fine-grained fraction and contributing to overall cost reduction. Prior to flotation upgrading, the fine-grained material is treated using a vertical-ring pulsating high-gradient strong magnetic separator to remove slime and discard tailings, thereby establishing optimal operating conditions for the subsequent flotation stage. The integration of anionic reverse flotation and high-efficiency beneficiation reagents effectively enhances the concentrate quality within the fine-grained fraction of the process. Furthermore, the grain size distribution of the final concentrate product is improved, leading to enhanced filtration efficiency. By adopting this combined gravity-magnetic-flotation process flow, the complementary advantages of these distinct beneficiation methods are fully realized; practical application has demonstrated that this process flow is both technologically advanced and economically sound. The facility employs vertical-ring pulsating medium- and strong-intensity magnetic separators—representing a domestically advanced standard—as the critical “gatekeeping” equipment prior to the tailings rejection stage for both coarse and fine-grained materials. Thanks to a unique magnetic media structure, these separators are highly resistant to clogging. Furthermore, by utilizing effective pulsation to maintain a consistently loose state among particles during separation, they effectively eliminate mechanical entrainment of non-magnetic particles. These capabilities, combined with highly flexible operational controls—allowing for the precise adjustment of liquid levels, stroke lengths, pulsation frequencies, and excitation currents—ensure high metal recovery rates while minimizing metal losses. The flotation circuit features a combined configuration of large-scale BF and JJF flotation machines, fully leveraging the BF machine’s superior slurry suction capacity and the JJF machine’s robust agitation capabilities. For gravity separation, large-capacity Ø1500mm spiral concentrators are utilized, ensuring stability in both separation operations and performance metrics. Filtration is handled by a 72m² disc vacuum filter, which not only guarantees that the filter cake moisture content meets specifications but also boasts a high utilization efficiency. Finally, the selection of RA715—a novel anionic collector—as the primary beneficiation reagent ensures that the grade of the flotation concentrate consistently meets quality standards. The Anqian Mining Company Beneficiation Plant officially commenced operations in March 2006. Initially, only one system (the “South System”) was brought online; however, through the collaborative efforts of the Anqian Mining Plant and its associated research institute, the facility achieved its designed performance targets within just one month—setting a new record for the commissioning and ramp-up of hematite beneficiation operations. While the South System was in full operation, construction proceeded simultaneously on the second system (the “North System”). The North System was completed and commissioned in September 2006, at which point the entire Anqian Mining Beneficiation Plant became fully operational, with its production metrics quickly reaching designed performance levels.
The original design for the gravity separation section called for a two-stage process (one roughing and one cleaning stage) using spiral concentrators, followed by scavenging stages utilizing weak and medium-intensity magnetic separation to treat the middlings. However, following the commencement of operations, it became apparent that the incoming ore—sourced primarily from the shallower zones of the ore body—was relatively lean and of lower grade. Consequently, the coarse-grained section of the process generated a significantly larger volume of tailings than anticipated. To alleviate the burden on the downstream magnetic separation circuit and to ensure adequate metal recovery within the coarse-grained fraction, an additional “scavenging spiral” stage was introduced into the process flow. Subsequent production practice has conclusively demonstrated that the addition of this gravity-based scavenging stage has yielded highly effective results.
4.5.1 Process Flow
The combined concentrate obtained from the beneficiation process is thickened and then conveyed to the filtration plant for filtration. The filter cake is transported via a belt conveyor to a concentrate bin for storage, after which it is hauled by truck to the Ansteel New Steel Ironmaking Plant. The filtrate is returned to the concentrate thickener, and the thickener overflow is utilized as process water.
The process flow for thickening and filtration is illustrated in Figure 6.
The water purification system comprises four Ø29m mechanically accelerated inclined-plate clarifiers. The overflow from each thickener is fed into the purification clarifiers via a distribution tank; after treatment with a purifying agent, the underflow is directed to the tailings pump station, while the overflow is recycled for use as process water.
The combined tailings rejected during the beneficiation process are thickened in four 53m thickeners; once the underflow concentration reaches approximately 45%, it is sent to the tailings pump station and subsequently pumped under pressure to the tailings dam.

4.5.2 Main equipment and technical specifications
Technical parameters for the concentration equipment are shown in Table 14, technical parameters for the filtration equipment are shown in Table 15, and technical requirements for concentration and filtration operations are shown in Table 16. Concentration and purification… Equipment technical parameters (Ø29 m) Inclined plate mechanical acceleration clarifier (see Table 17), water purification technical indicators requirements (see Table 18), tailings thickening equipment technical parameters. See Table 19. Technical indicators for tailings thickening operations are shown in Table 20.
Table 14 Technical Parameters of Concentration Equipment
| Assignment Name | Concentrate Concentration Operation | Maximum depth / m | 5.06 |
| Equipment Name | Peripheral rack and pinion drive concentrator | Transmission method | Peripheral gear transmission |
| Specifications and Models | NT-45 | Rake frame rotation speed (r/ min ) | 1/19.3 |
| Number of equipment | 2 | Electric motor power/kW | 18.5 |
| Settlement area/m² | 1590 |
Table 15 Technical parameters of filtration equipment
| Equipment Name | Disc vacuum filter | Vacuum degree/MPa | 0.06 |
| Specifications and Models | ZPG-72 | Unloading air pressure/MPa | 0.03 |
| Number of equipment | 8 | Filter disc rotation speed (r/ min ) | 0~1.0 |
| Filter area/m² | 72 | motor model | Y132S-4 |
| Filter disc diameter/mm | 3100 | Motor speed (r/ min ) | 0.1~1 |
| Number of filter discs | 6 | Electric motor power / kW | 5.5 |
Table 16 Technical Requirements for Concentration and Filtration Operations
| Concentrated work /% | underflow concentration | 55~65 | Filter cake moisture /% | <10 |
| Overflow concentration | <0.5 | Filter machine operating rate /% | 55~65 | |
| Filter utilization factor / [t / (m² ·h)] | >0.9 | Filter processing capacity / [V(h)] · tower)] | >64.8 | |
Table 17 Technical Parameters of Concentration and Purification Equipment (φ29m Inclined Plate Mechanical Accelerated Clarification Tank)
| Mixer (impeller) | diameter/m | 4.5 |
| Rotational speed (r/ min ) | 2.07~6.22 | |
| Speed adjustment method | Stepless frequency conversion speed regulation | |
| Impeller opening height/mm | 0~410 | |
| Electric motor power/kW | 7.5 | |
| Scraper | Linear speed at the outer edge of the sludge scraper (m/ min ) | 2.1 |
| Gearbox Model | XLE2.2-1-2056 | |
| Electric motor power/kW | 5.5 |
Table 18 Water Purification Technical Specifications Requirements
| Processing capacity (m³/h) | Influent turbidity ( mg /L) | Effluent water quality ( mg /L) | Underflow concentration/% |
| 5200 | <8000 | <100 | >15 |
Table 19 Technical Parameters of Tailings Concentration Equipment
| Equipment Name | Peripheral rack and pinion drive concentrator | Maximum depth / m | 5.07 |
| Specifications and Models | NT-53 | Transmission method | Peripheral rack and pinion drive |
| Number of equipment | 4 | Rake frame rotation speed (r/ min ) | 1/23.18 |
| Settlement area/m² | 2202 | Electric motor power / kW | 18.5 |
Table 20 Technical Indicators for Tailings Thickening Operations (%)
| Assignment Name | Tailings thickener |
| underflow concentration | 45 |
| Overflow concentration | <0.5 |
4.5.3 Process Flow Technical Modification: Process and Characteristics
At the Anqian Mining Company Beneficiation Plant, following the thickening and filtration of the concentrate, the moisture content of the output concentrate is reduced to below 10%. Similarly, after the tailings undergo thickening, their concentration reaches a level of 35% to 45% or higher, thereby enabling high-density transport. Furthermore, the recovered water is purified and subsequently recycled, resulting in an internal water recovery rate exceeding 90%.
4.6 Concentrate and tailings transportation

picture 7 Tailings conveying process
4.6.1 process
(1) Concentrate transportation. After the comprehensive concentrate from the concentrator is filtered in the filtration workshop, the filter cake is directly… The goods were loaded onto trucks and transported by road to Ansteel Xinyu Ironmaking Plant.
(2) Tailings transportation process. Tailings from the grinding and filtration area are concentrated in the tailings well. Afterwards, the bottom flow is pumped to the tailings pumping station, where it is pressurized and then sent to the Fengshuigou tailings dam for storage. The tailings pond water is returned to the beneficiation plant for recycling.
(3) See the tailings transportation process flow diagram. Figure 7.
4.6.2 Main equipment and technical specifications
The technical parameters of the booster pump for the tailings pumping station are shown in Table 21, and the parameters of the Fengshuigou tailings dam are shown in Table 22.
Table 21 Technical Parameters of Booster Pumps for Tailings Pumping Stations
| model | Number of units | Yangcheng/m | flow /(m³/h) | revolutions/(r/min) | Shaft power/kW | Electric motor | ||
| model | Power/kW | Rotational speed (r/ min ) | ||||||
| 250ZJ-Ⅱ-68 | 4 | 71.8 | 1150 | 990 | 360 | Y5003-6 | 630 | 990 |
Table 22 Parameters of Fengshuigou Tailings Dam
| name | Final dam elevation / m | Storage capacity / 100 million m³ | Effective storage capacity / 100 million m³ | Total catchment area / km² | Service years / a |
| Fengshuigou tailings dam | 140 | 2.28 | 1.68 | 7.828 | twenty three |
4.6.3 Process Flow Technical Modification: Process and Characteristics
Since its inception, Anqian Mining Co., Ltd. has transported concentrate via road vehicles, while tailings have been conveyed at high density—pumped directly to the tailings storage facility.
4.7 Comprehensive Utilization of Tailings and Environmental Protection
4.7.1 Rational Use of Water Resources and Improvement of Plant-wide Recycled Water Utilization Efficiency
To ensure the rational use of water resources and enhance the plant-wide utilization rate of recycled water, the following measures have been implemented:
Wastewater generated throughout the plant is centrally collected, treated, and then recycled for reuse, thereby achieving a “zero discharge” status for all plant effluent. Overflow water from the various thickening stages is collected and directed to a newly constructed water distribution tank; after chemical dosing at this tank, it is distributed to mechanically accelerated clarifiers. Domestic sewage from the plant site enters a dedicated collection tank at the sewage interception pump station; following biological treatment, this domestic sewage is combined with process drainage and fed into a φ29m mechanically accelerated clarifier. Once the suspended solids concentration in the overflow water drops below 100 mg/L, it is directed to the comprehensive pump station. After pressurization, this water is reintroduced into the mineral processing production circuit for recycling.
A new DN400 return water pipeline (5.5 km in length) has been laid from the tailings storage facility. This water flows by gravity to the mineral processing plant’s comprehensive pump station, where it is pressurized and supplied for use as seal water for various slurry pumps throughout the plant, thereby realizing the effective utilization of return water from the tailings storage facility.
4.7.2 Dust Control
Dust generated at various stages of the mineral processing plant is controlled using low-pressure Venturi dust collectors (a wet-process method); this method effectively prevents secondary dust pollution. Exhaust purifiers have been installed on all vehicles transporting ore and rock materials to reduce the total emission volume of pollutants from vehicle exhaust.
4.7.3 Noise Pollution Control
The primary sources of noise include crushers, vibrating screens, ball mills, fans, and heavy-duty vehicles. Vibration-damping foundations have been installed for all large-scale, high-noise-generating equipment. Induced draft fans are fitted with silencers, while exhaust fans are mounted on vibration-damping pedestals. These measures ensure that noise levels at the plant boundary do not exceed 65 dB(A) during the day and 55 dB(A) at night, thereby meeting the requirements of national standards. 4.8 Beneficiation Plant Automation Control
Currently, the sections of the Anqian Mining Company’s beneficiation plant that have implemented automated control primarily include: the ore crushing and conveyor belt system, which utilizes PLC control; the grinding and classification operations, which employ automated control; and the flotation operations, which feature liquid level detection and control.
4.9 Key Technical and Economic Indicators for Beneficiation Production in 2006
The key technical and economic indicators for Anqian Mining Co., Ltd. in 2006 are presented in Table 23.
Table 23 Main technical and economic indicators of Anqian Mining Co., Ltd.
| Annual raw ore processing ( Va ) | 5647238 | Liner consumption / [kg/(t)] ·raw ore) | 0.134 |
| Original product/% | 23.54 | Water consumption / [m³/(t·)] Raw ore) | 0.553 |
| Premium/% | 67.50 | Among them, the consumption of new water is / [m³/(t·)] Raw ore) | 0.421 |
| Leftovers/% | 10.49 | Tape / [m² / (ten thousand tons) · Raw ore) | 42.00 |
| Theoretical recovery rate / % | 65.64 | Filter cloth / [m² / (10,000 tons of concentrate)] | 126.0 |
| Theoretical beneficiation ratio / (t/t) | 4.37 | Drug/[g/(t)] ·raw ore) | 1.7732 |
| Concentrate cost / [yuan / (t)] ·Concentrate) | 495.73 | Power consumption / [kW ·h / (t)] ·raw ore) | 30.458 |
| Steel ball consumption / [kg / (t)] ·raw ore) | 1.715 | Labor productivity of employees / [V(persons)] ·a)] | 18732.06 |